Ê×Ò³ / ²úÆ·ÖÐÐÄ
ÓÐË¢Ö±Á÷µç»ú
ÎÞË¢Ö±Á÷µç»ú
ÎÞË¢½»Á÷ËÅ·þµç»ú
½»Á÷µç»ú
³ÝÂÖµç»ú
·¢µç»ú²úÆ·
Âí´ï²úÆ·
Æû³µÁ㲿¼þ
 
²úÆ·ÖÐÐÄ
ÎÞË¢Ö±Á÷µç»ú(90SWϵÁÐ)
ÎÞË¢Ö±Á÷µç»ú
ͨÓù淶

Winding type

Delta

Hall effect angle

120 degree electrical angle

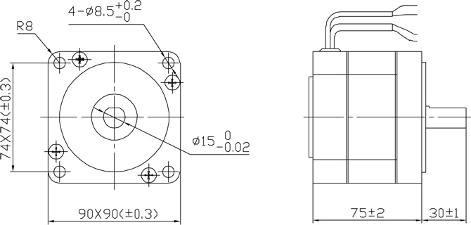
Shaft run out

0.025mm

Radial play

0.025mm£À460g

End play

0.025mm£À4000g

Max.radial force

75N£À20mm from the flange

Max.axial force

15N

Insulation class

Class B

Dielectric strength

500VDC for one minute

Insulation resistance

100M¦¸Min.,500VDC


¹æ¸ñ½éÉÜ


¹æ¸ñ²ÎÊý

Part Number

Voltage

No load Current

No load Speed

Torque

Rated Current

Rated Speed

Torque
(MAX)

Torque
Constant

Rotor
Inertia

Weight

Length

Units

VAC

A

RPM

Nm

A

RPM

Nm

Nm/A

Kgmm2

Kg

mm

90SW01

220

0.4

4200

1

2.8

3000

5

0.85

1.55

1.8

75

90SW02

220

0.6

4200

2.0

5.5

3000

10.0

0.85

2.65

3.0

108

90SW03

220

1.0

4200

3.0

8.5

3000

13.0

0.85

3.55

4.0

128

°æÈ¨ËùÓУº½­ËÕ³£Òâµç»ú¿Æ¼¼ÓÐÏÞ¹«Ë¾ [¹ÜÀí]